


TERRA HA024R30 - представник сімейства будинкових підсилювачів TERRA серіїCABRIOLINE в класі підсилювачів середньої потужності. Особливістю серії CABRIOLINEє компактний корпус білого кольору в оригінальному дизайні у вигляді голови крокодила (відкриття кришки схоже на розорювання пасти алігатора). Особливістю даної моделі є можливість пасивного пропуску зворотного каналу, використовуваного операторами КТБ для роботи ІНТЕРНЕТ за технологією DOCSIS. Підсилювач має міжкаскадний перемикач посилення, що дозволяє при посиленні до 20 дБ знизити внесений підсилювачем шум. У схемотехніці підсилювача застосована предкоррекция АЧХ (низькі частоти зазвичай загасають менше верхніх у коаксіальному кабелі) - посилення на початку діапазону на 2...3 дБ менше ніж наприкінці частотного діапазону (при "нульовому" положенні регулятора нахилу АЧХ). Всі регулятори заховані під кришкою. Для зручності виконання регулювань при настроювання підсилювача в комплекті поставляється пластмасова викрутка (також захована під кришкою).
Основні характеристики:
Прямий канал
- Діапазон частот - 47-862 Мгц;
- Коефіцієнт посилення в прямому каналі - 18...20 дБ / 27...30 дБ;
- Регулювання посилення - 0...-17 дБ;
- Регулювання нахилу АЧХ - 0...-17 дБ;
- Нерівномірність АЧХ - ± 0.75 дБ;
- Максимальний вихідний рівень - 97 дБ/мкВ (EN50083-3);
- Коефіцієнт шуму - < 8.5 дБ;
- Ослаблення на тестовому виході - -30 дБ;
Зворотний канал
- Діапазон частот зворотного каналу - 5...30 МГц;
- Коефіцієнт ослаблення в зворотному каналі - 1.5 дБ;
Загальні
- Кількість виходів - 1;
- Живлення - 220 В / 50 Гц / 3 Вт;
- Діапазон робочих температур -20°С...+50°С;
- Роз'єми - тип "F";
- Габарити - 133х63х39 мм;
- Вага - 0.36 кг;
- Країна-виробник - Литва.
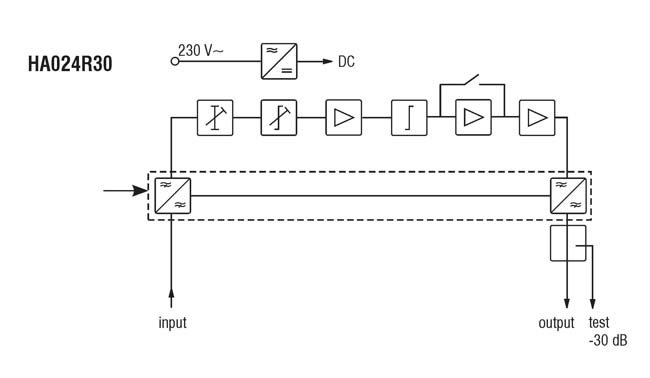
Структурна схема підсилювача:

| Основні атрибути | |
|---|---|
| Виробник | TERRA |
| Країна виробник | Литва |
| Колір | Білий |
- Ціна: 1 485 ₴

